skip to Main Content

Fussgängerbrücke Bärentritt

Projektbeschrieb

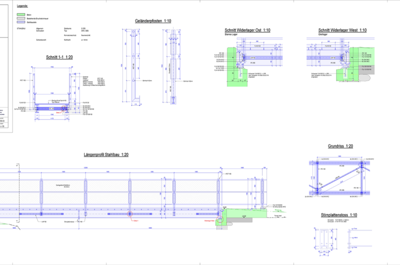
Neubau Fussgängerbrücke aus Stahl

Bauherrschaft

Gemeinde Davos

Unsere Ingenieurleistungen

  • Planung/Bemessung
  • Bauleitung